- 壓力變送器系列
- 通用型壓力變送器
- 工業型壓力變送器
- 衛生型壓力變送器
- 數顯型壓力變送器
- 高溫型壓力變送器
- 差壓型壓力變送器
- 潛水型壓力變送器
- 經濟型壓力變送器
- 智能型壓力變送器
- 高壓型壓力變送器
- 壓縮機專用壓力變送器
- 差壓變送器系列
- 智能壓力變送器
- 智能絕對壓力變送器
- 智能差壓變送器
- 智能微差壓變送器
- 智能高靜壓差壓變送器
- 智能單法蘭液位變送器
- 智能單法蘭插入式液位變送器
- 智能遠傳差壓變送器
- 智能遠傳插入式差壓變送器
- 智能遠傳壓力變送器
SLK510卡箍平膜型壓力變送器

產品概述
SLK510卡箍平膜型壓力變送器采用平面膜直接感受壓力信號,以擴散硅壓力芯體作為敏感元件,內置處理電路將傳感器毫伏信號轉換成標準電壓﹑電流﹑頻率信號輸出,可直接與計算機、控制儀表﹑顯示儀表等相連,可進行遠距離信號傳輸。SLK510卡箍平膜型壓力變送器卡箍端面受力膜片外露直接感受壓力,可防止結垢,不衛生及粘稠壓力堵塞等問題,廣泛應用于食品、醫藥、釀酒等衛生型行業及測量介質可能結垢場合的壓力測試。
產品特點
1、壓力接口采用316L平膜片結構
2、衛生型,防結垢
3、具有短路保護和反極性保護
4、量程范圍寬,可測量絕壓、表壓和密封參考壓力
5、良好地密封性,能長期穩定工作
6、帶換熱片設計,高溫介質應用性能優異
7、多種輸出信號可選擇,可按客戶要求定制
性能參數
適用范圍
腐蝕性氣體,液體,蒸汽的壓力和液位測量,壓縮機,空調系統,工業自動化產品配套等…
電氣連接及接線方式
SLK510卡箍平膜型壓力變送器采用平面膜直接感受壓力信號,以擴散硅壓力芯體作為敏感元件,內置處理電路將傳感器毫伏信號轉換成標準電壓﹑電流﹑頻率信號輸出,可直接與計算機、控制儀表﹑顯示儀表等相連,可進行遠距離信號傳輸。SLK510卡箍平膜型壓力變送器卡箍端面受力膜片外露直接感受壓力,可防止結垢,不衛生及粘稠壓力堵塞等問題,廣泛應用于食品、醫藥、釀酒等衛生型行業及測量介質可能結垢場合的壓力測試。
產品特點
1、壓力接口采用316L平膜片結構
2、衛生型,防結垢
3、具有短路保護和反極性保護
4、量程范圍寬,可測量絕壓、表壓和密封參考壓力
5、良好地密封性,能長期穩定工作
6、帶換熱片設計,高溫介質應用性能優異
7、多種輸出信號可選擇,可按客戶要求定制
性能參數
| 量程范圍 | 0~70kPa…10MPa |
| 壓力類型 | 表壓、絕壓、密封壓 |
| 供電電源 | 24V、12V |
| 輸出信號 | 4~20mA、1~5V、0~5V |
| 工作溫度 | -20℃~85℃ |
| 介質溫度 | -40℃~85℃、 -40℃~150℃ |
| 儲存溫度 | -40℃~125℃ |
| 零點溫漂 | ±2%FS(@-20℃~85℃) |
| 靈敏度溫漂 | ±2%FS(@-20℃~85℃) |
| 過載壓力 | 150%FS |
| 機械振動 | 20g(20~5000HZ) |
| 沖擊 | 100g(11ms) |
| 綜合精度 | 0.5級 |
| 絕 緣 | 100MΩ/250VDC |
| 響應時間 | ≤1ms(上升到90%FS) |
| 長期穩定性 | ±0.2%FS/年 |
| 防護等級 | IP65 |
| 材質 | 外殼不銹鋼;卡箍及隔離膜片316L |
| 介質兼容 | 與316L不銹鋼兼容的各種介質 |
腐蝕性氣體,液體,蒸汽的壓力和液位測量,壓縮機,空調系統,工業自動化產品配套等…
電氣連接及接線方式
| J1:2088殼體 | J5:赫斯曼 | ||
|
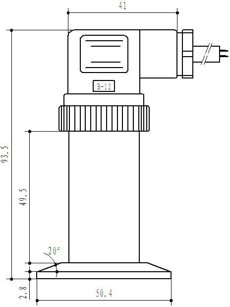
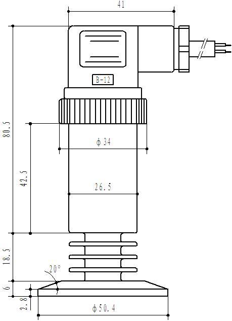
尺寸圖 單位:mm |
![]() 三片散熱片 |
![]() 無散熱片 (介質溫度-40℃~85℃) |
![]() 三片散熱片 (介質溫度-40℃~150℃) |
|
接線方式 (電流輸出) |
![]() |
紅線:電源+ 綠線:電流輸出 |
紅線:電源+ 綠線:電流輸出 |
|
接線方式 (電壓輸出) |
![]() |
紅線:電源+ 藍線:共地 黃線:電壓輸出 |
紅線:電源+ 藍線:共地 黃線:電壓輸出 |
卡箍接口
| K1:2寸卡箍 | K2:2.5寸卡箍 |
![]() |
![]() |
安裝示意(僅供參考)

安裝提示:
1.卡箍平膜為一次性充油,膜片請勿觸碰,防止變形進而損傷內部芯片。
2.赫斯曼常溫型產品,在介質150℃溫度下(消毒時間)工作不要超過十分鐘,防止高溫導致傳感器不能正常工作。
3.在現場安裝或清洗時,請擰緊赫斯曼插座或2088外殼,防止殼體進水損壞內部電路。
訂購指南
| 產品名稱 | ||||||||||
| SLK510卡箍平膜型壓力變送器 | ||||||||||
| 量程范圍 | ||||||||||
| 根據客戶要求直接填寫 | ||||||||||
| 電源 | ||||||||||
| V1:24V DC 、V2:(12V~36V)DC | ||||||||||
| 輸出信號 | ||||||||||
| B1:4~20mA、B2:0~10V、B3:1~5V、B4:0~5V、 | ||||||||||
| 卡箍接口 | ||||||||||
| K1:2寸卡箍、K2:2.5寸卡箍 | ||||||||||
| 附加信息 | ||||||||||
| J1:赫斯曼、J2:2088殼體 | ||||||||||
| P1:0.5%FS、P2:0.25%FS | ||||||||||
| 壓力類型 | ||||||||||
| G:表壓 A:絕壓 S:密封壓 | ||||||||||
| 防爆要求 | ||||||||||
| E1:本安防爆ExiaⅡCT6 (僅2088殼體有防爆可選) | ||||||||||
| SLK510 | 1MPa | V1 | B1 | K1 | J1P1GE1 選型舉例:SLK510-1MPa-V1-B1-K1-J1P1GE1 | |||||
表示型號為SLK510、量程為0~1.0MPa、供電電源為24V、輸出信號為4~20mA、卡箍接口為2寸卡箍、電氣連接為赫斯曼、精度為0.5%、壓力類型為表壓、本安防爆要求。
▲訂購提示
⑴ 請根據介質溫度選擇散熱片數量:介質溫度為-40℃~85℃,無需散熱片;介質溫度為-40℃~150℃,散熱片數量為3。
⑵ 2088殼體均有三片散熱片。
⑶ 電氣連接請嚴格按照產品說明書上的接線方法,接線錯誤會造成放大電路的損壞。
⑷ 若對產品外形和性能參數有特殊要求,本公司可提供定制。
產品信息歸西安仕樂克儀表科技有限公司版權所有
http://www.0prjs.cn/view-74-1.html
相關文章推薦:壓力變送器選取壓點應符合的幾個規定 壓力變送器的正負遷移 壓力變送器微調的具體操作步驟 供熱電廠壓力變送器工作原理 壓力開關與傳感器的設計了解 智能壓力變送器的作用及特點 壓力變送器主要作用 如何延長壓力變送器的使用壽命 壓力變送器主要從哪些方面檢定技術 壓力變送器使用時需要注意哪些事項 擴散硅壓力變送器在水位控制系統中的應用 常用壓力變送器的工作原理和特點 壓力變送器在冬季如何防凍保溫【儀表防凍通用 壓力變送器的正負遷移 壓力變送器系列中的五大分類
上一篇:齊平膜型壓力變送器
下一篇:法蘭平膜型壓力變送器









