- MORE 產品快速導航
產品展示 | Projects
SLK-804型差壓變送器
發布日期:2010-08-23 瀏覽次數:8156
SLK-804型差壓變送器選型使用說明
SLK-804型壓力變送器由進口微小量程,高穩定性能傳感器和高可靠性信號處理IC電路構成,有更好的抗干電磁干擾和浪涌電流能力。
二、技術指標
l 量程范圍:0-100Pa~100KPa; -100~0KPa
l 測壓形式:表壓(G)、負壓(N)、差壓(C)
l 補償溫度:-10~
l 綜合精度:0.1%、0.25%、0.5%、1%
l 輸出選擇:4~20mA、0~10mA、1~5V、0~5VDC
l 電源電壓:15VDC、24VDC
l 測量介質:無腐蝕性氣體
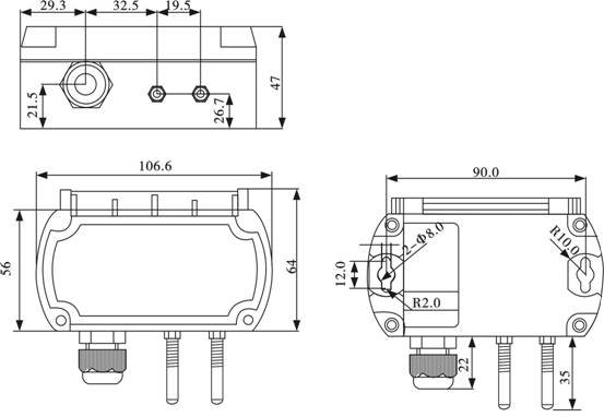
三、結構尺寸
.jpg)


